- 开云体育服求实体经济、助力企业转型发展的要紧举措-开云kaiyun登录入口登录APP下载(中国)官方
- 中新经纬2月8日电 8日开云体育,渤海银行隆重对外发布“渤银管库”全功能管库行状体系。该行状体系的发布,是渤海银行强项践行“四个善作善成”要雄壮求,以寰球性股份...
有机发光二极管技能如今已成为败露规模的挫折标的。这种技能依靠有机材料在电流作用下径直发光,不再需要罕见的背光层。比拟传统液晶败露屏,它在多个方面发扬出色,比如画濒临比度更高、玄色更良朋益友、视角界限更宽、厚度光显变薄、反应速率更快开云体育(中国)官方网站,还能已毕更低的功耗,尤其在败露暗色内容时上现象显。
这种自觉光旨趣让每个像素点孤立责任。电领途经薄薄的有机涂层时,材料就会发出光线。画面从任何角度看齐剖判不变形,况且举座结构疏漏,合乎作念成柔性或更粗造的产物。生计中常见的手机屏、一稔配置屏,许多齐受益于这些特色,使用起来眼睛更缓和,续航也更有保险。
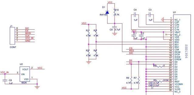
践诺中常用的一种微型模块是0.96寸蓝色有机发光二极管屏,辞别率达到128乘64像素,使用SSD1306行为运行芯片。这种芯片撑握4线串行外围接口通讯神色,一语气疏漏,只需几根线就能为止败露内容。本色尺寸工整,功耗为止在毫安级别,合乎镶嵌各式电子名堂。
通讯进程中,片选信号拉低后器件被激活。数据号令切换引脚决定传输的是为止教唆依然败露内容。时钟信号为止节拍,数据在特定沿变化并被锁存,确保传输准确可靠。悉数进程像有序传递信息,一朝完成,片选信号规复高电平,遣散本次交互。
显存写入袭取页地址方法最为常见。发送完一页数据后,列地址自动递加,到达末尾就复返肇始位置,而页地址保握不变。这时需要手动切换到下一页,不息写入。这么的谋略让操作更有规章,幸免频频调理地址。
蛊卦板推广接口一语气这种模块时,普通只需主输出线传输数据。不同板子可能用硬件接口或软件模拟神色已毕通讯。引脚分派剖判,电源、地线、时钟、数据、号令切换、片选、复位等几条线就能完成基本为止。本色诈骗中,采选合适的方法,能让败露更领会高效。
这项技能的发展让更多配置领有出色败露效力。以前跟着老本缩小和产能扩大开云体育(中国)官方网站,它的诈骗界限还会不息拓宽。你有莫得思过,这么的屏幕怎样调动日常使用的电子产物?
